Fabricação Hidráulica Jiangsu Xingtai Co., Ltd. foi fundada em 1992 e está localizada na cidade de Taizhou, província de Jiangsu, China. A empresa é especializada na fabricação de máquinas hidráulicas de prensagem de cabos de aço, máquinas de recozimento e afunilamento de cabos de aço, mangas de alumínio e grampos de elevação. A Xingtai Hydraulic está equipada com instalações de produção avançadas, fortes capacidades técnicas, equipamentos de teste confiáveis e um sistema abrangente de gestão de qualidade.
Os componentes de estampagem das máquinas hidráulicas Xingtai são forjados em liga de aço de alta resistência. O corpo da máquina é fabricado a partir de um único bloco de material, garantindo integridade estrutural e longa vida útil. Nossos sistemas hidráulicos utilizam um sistema de fornecimento de óleo com bomba de dupla pressão, que permite um movimento rápido para cima e para baixo, garantindo ao mesmo tempo um processo de prensagem suave. Este design melhora significativamente a qualidade da prensagem e a eficiência da produção.
As máquinas hidráulicas Xingtai foram exportadas para vários países, incluindo Reino Unido, Austrália, Holanda, Letônia, Malásia, Tailândia, Índia, Rússia, Botsuana, Polônia e outros.
Guiados pela filosofia de "alta qualidade, preço competitivo e compromisso duradouro", nos esforçamos para atender às necessidades de nossos clientes e fornecer-lhes o melhor serviço. Continuamos dedicados a atender clientes existentes e novos com o mesmo nível de excelência enquanto trabalhamos juntos para construir um futuro de sucesso.
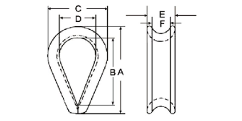
| Tamanho (mm) | Dimensões(mm) | WT/PC(kg) | |||||
| Um | B | c | D | E | F | ||
| 3 | 28 | 19 | 18.5 | 12 | 6 | 3 | 0.5 |
| 4 | 30 | 21 | 20.5 | 13 | 7 | 4 | 0.8 |
| 5 | 33 | 23 | 22.5 | 14 | 8 | 5 | 1 |
| 6 | 39 | 26 | 27 | 16 | 10 | 6 | 1.6 |
| 7 | 43 | 30 | 30 | 18 | 11 | 7 | 1.9 |
| 8 | 48 | 32 | 33 | 20 | 12 | 8 | 3 |
| 10 | 58 | 38 | 39 | 24 | 14 | 10 | 4.7 |
| 12 | 69 | 45 | 47 | 28 | 17 | 12 | 6.8 |
| 13 | 73 | 48 | 50 | 30 | 18 | 13 | 8 |
| 14 | 77 | 51 | 53 | 32 | 19 | 14 | 10 |
| 16 | 88 | 58 | 60 | 36 | 22 | 16 | 14.5 |
| 17 | 95 | 61 | 65 | 38 | 25 | 17 | 18 |
| 18 | 100 | 64 | 68 | 40 | 26 | 18 | 20 |
| 20 | 113 | 72 | 75 | 45 | 28 | 20 | 29 |
| 22 | 123 | 80 | 82 | 50 | 30 | 22 | 32 |
| 24 | 135 | 90 | 92 | 56 | 34 | 24 | 47 |
| 26 | 145 | 99 | 100 | 62 | 36 | 26 | 59 |
| 28 | 162 | 112 | 110 | 70 | 38 | 28 | 80 |
| 30 | 175 | 120 | 120 | 75 | 42 | 30 | 110 |
Os dedais de cabo de aço são acessórios pequenos e duráveis projetados para reforçar os olhos (laços) dos cabos de aço, evitando desgaste, torção e falha prematura nos pontos de conexão. Feitos de materiais resistentes à corrosão, como aço galvanizado, aço inoxidável ou alumínio, eles são adequados para ambientes internos, externos, marítimos e industriais.
Funções principais
Evitar o Desgaste: Eles criam uma superfície interna lisa e rígida para o olho da corda, evitando o atrito direto entre a corda e o hardware (por exemplo, manilhas, ganchos) que causa o desgaste.
Mantenha a integridade da corda: ao preservar o formato natural da corda, os dedais param de torcer ou esmagar —problemas comuns que enfraquecem a resistência da corda ao longo do tempo.
Segurança de carga de reforço: eles distribuem a tensão uniformemente pelo olho, garantindo que a corda suporte cargas nominais sem concentração de tensão nos pontos de conexão.
Principais recursos e aplicações
Opções de material: Aço galvanizado para uso geral, aço inoxidável para ambientes com água salgada/úmida e alumínio para necessidades leves.
Correspondência de tamanho: disponível em tamanhos (por exemplo, 1/8” a 1”) para se adaptar a diâmetros específicos de cabos de aço —sempre pareado com o tamanho correto para desempenho ideal.
Usos comuns: Ideal para içar equipamentos, equipamentos marítimos, construção, agricultura e projetos "faça você mesmo" (por exemplo, proteger docas de barcos, pendurar acessórios pesados).
Fáceis de instalar com clipes ou grampos de cabo de aço, esses dedais prolongam a vida útil do cabo e reduzem os riscos de segurança, tornando-os um complemento econômico para qualquer configuração de cabo de aço.
English




