Fabricação Hidráulica Jiangsu Xingtai Co., Ltd. foi fundada em 1992 e está localizada na cidade de Taizhou, província de Jiangsu, China. A empresa é especializada na fabricação de máquinas hidráulicas de prensagem de cabos de aço, máquinas de recozimento e afunilamento de cabos de aço, mangas de alumínio e grampos de elevação. A Xingtai Hydraulic está equipada com instalações de produção avançadas, fortes capacidades técnicas, equipamentos de teste confiáveis e um sistema abrangente de gestão de qualidade.
Os componentes de estampagem das máquinas hidráulicas Xingtai são forjados em liga de aço de alta resistência. O corpo da máquina é fabricado a partir de um único bloco de material, garantindo integridade estrutural e longa vida útil. Nossos sistemas hidráulicos utilizam um sistema de fornecimento de óleo com bomba de dupla pressão, que permite um movimento rápido para cima e para baixo, garantindo ao mesmo tempo um processo de prensagem suave. Este design melhora significativamente a qualidade da prensagem e a eficiência da produção.
As máquinas hidráulicas Xingtai foram exportadas para vários países, incluindo Reino Unido, Austrália, Holanda, Letônia, Malásia, Tailândia, Índia, Rússia, Botsuana, Polônia e outros.
Guiados pela filosofia de "alta qualidade, preço competitivo e compromisso duradouro", nos esforçamos para atender às necessidades de nossos clientes e fornecer-lhes o melhor serviço. Continuamos dedicados a atender clientes existentes e novos com o mesmo nível de excelência enquanto trabalhamos juntos para construir um futuro de sucesso.
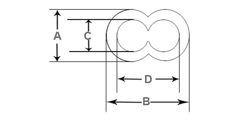
| Modo | Diâmetro do cabo de aço (mm) | Dimensão da luva de alumínio (mm) | Comprimento (mm) | Peso (g/pc) | |||
| Um | B | C | D | ||||
| XTH-1/16" | 1.6 | 4.37 | 6.35 | 1.96 | 4 | 9.6 | 0.41 |
| XTH-5/64" | 2 | 5.56 | 7.95 | 2.39 | 4.8 | 9.6 | 0.73 |
| XTH-3/32" | 2.4 | 7.06 | 10.26 | 3.3 | 6.5 | 12.7 | 1.45 |
| XTH-1/8" | 3.2 | 8.71 | 12.7 | 3.96 | 7.9 | 15.9 | 2.9 |
| XTH-5/32" | 4 | 9.53 | 14.3 | 4.75 | 9.5 | 17.5 | 3.63 |
| XTH-3/16" | 5.1 | 11.2 | 16.9 | 5.66 | 11.4 | 25.4 | 7.17 |
| XTH-7/32" | 5.6 | 12.7 | 19.1 | 6.35 | 12.7 | 27 | 10.07 |
| XTH-1/4" | 6.4 | 13.61 | 20.8 | 7.37 | 14.6 | 28.6 | 11.43 |
| XTH-9/32" | 7.1 | 14.27 | 22.35 | 7.92 | 16 | 30.2 | 12.81 |
| XTH-5/16" | 8 | 17.45 | 26.19 | 9.53 | 18.3 | 31.7 | 20.41 |
| XTH-3/8" | 9.6 | 19.05 | 29.36 | 11.13 | 21.4 | 36.5 | 29.53 |
| XTH-7/16" | 11.1 | 23.8 | 36.5 | 17.7 | 25.4 | 42.8 | 53.53 |
A luva de ampulheta de alumínio é um encaixe de cabo de aço projetado com precisão, também chamado de virolas de ampulheta, feito de alumínio sem costura por meio de extrusão e usinagem para desempenho confiável. Seu formato distinto de ampulheta lhe rendeu o nome, otimizado para crimpagem manual com ferramentas mecânicas —sem necessidade de prensas hidráulicas—, tornando a instalação rápida e acessível.
Projetado para alumínio, aço de alta resistência/suave ou cabo de aço galvanizado (evite emparelhar com aço inoxidável; use mangas de cobre zincadas em vez disso), cada tamanho corresponde a diâmetros de fio específicos para um ajuste confortável. Quando devidamente prensado com um dedal (para distribuir a força uniformemente e reduzir o desgaste do fio), ele oferece 90% de eficiência de terminação, criando uma conexão permanente e segura.
Anodizado para resistência à corrosão, ele prospera em ambientes marítimos, agrícolas, de construção e de montagem de palcos —mesmo com exposição à água salgada. Sua construção leve, porém resistente, em alumínio mantém os conjuntos discretos, evitando a obstrução de guinchos ou polias.
Tamanhos personalizados estão disponíveis e atendem aos padrões ISO 9001 e CE. Por segurança, siga as diretrizes de estampagem do fabricante e verifique com um medidor de avanço/retrocesso, especialmente para elevação crítica. Uma escolha durável e econômica para emenda e terminação de cabos de aço.
English




